2 nośności i 2 wersji: z liną albo bez liny
nośność 0,5t i 1t.

Przeznaczenie:
Do ręcznego podnoszenia i pociągania ciężarów
- jako serwisowe urządzenie dźwigowe do prac montażowych i konserwacyjnych w urządzeniach technologicznych wszelkiego rodzaju
- do załadunku samochodów osobowych albo łodzi na przyczepy
- do manipulacji na małych statkach (rozwijanie żagli, itp.)
- możliwość wykorzystania również w środowisku z niebezpieczeństwem wybuchu – dotyczy tylko wariantów z oznaczeniem NEXP – oznaczenie „wybuchowości“ wyrobu – I M2; II 2G T5 (grupa urządzeń I, kategoria M2; grupa urządzeń II, kategoria 2G, klasa temperaturowa T5)
Własności:
- prosta lekka konstrukcja
- łatwa obsługa
- zabezpieczenie antykorozyjne powierzchni przez ocynkowanie galwaniczne – do środowiska normalnego
- wykorzystanie wciągarki w środowisku nietypowym albo ekstremalnym trzeba konsultować z producentem
- przygotowano do montażu na konstrukcji
- minimalne wymagania dotyczące konserwacji
Dostarczamy w dwóch wersjach: z liną albo bez liny.
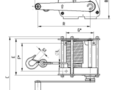
| Typ | Nośność (t) | Wymiary główne (mm) | Parametry techniczne | |||||||||||||
|---|---|---|---|---|---|---|---|---|---|---|---|---|---|---|---|---|
| A | B | C | D | E | F* | G* | G1 | L | R | Lina (mm) | Wysokość podnoszenia | Przełożenie | Siła sterowania | Ciężar wciągarki | ||
| LN | 0,5t | 264 | 167 | 344 | 193 | 186 | 144 | 115 | 19 | 5 | 200 | Ø5 | 10 | 1:8 | 250 | 9,5 |
| 1t | 373 | 207 | 460 | 240 | 209 | 160 | 160 | 19 | 8 | 300 | Ø8 | 10 | 1:6 | 320 | 15,2 | |
| * rozstaw otworów do zakotwienia wciągarki linowej średnica otworów kotwiących – LN/0,5t – 9mm, LN/1t – 11mm | ||||||||||||||||





