W naszej ofercie znajdują się solidne przykręcane krążki typu KPR. Dostępne są w wersjach o różnym WLL, od 0,5t do 5t. Średnica liny wynosi średnica liny ø7÷15mm, a średnica krążka to ø100÷275mm.
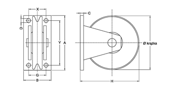
Szczegóły produktu:
| KOD | WLL [t] | Średnica krążka [mm] | Średnica liny [mm] | A mm | B mm | C mm | H mm | G mm | D mm | X mm | Y mm | Masa [kg] |
| KPR 0,5 | 0,5 | 100 | 7 | 122 | 60 | 7,5 | 109 | 18 | 10 | 30 | 90 | 1,35 |
| KPR 1,0 | 1,0 | 125 | 8 | 140 | 60 | 9 | 138 | 21 | 12 | 35 | 110 | 2,2 |
| KPR 2,0 | 2,0 | 150 | 10 | 180 | 80 | 11 | 168 | 24 | 14 | 40,5 | 139,5 | 4,3 |
| KPR 3,0 | 3,0 | 200 | 12 | 230 | 100 | 15 | 221 | 30 | 18 | 50 | 170 | 8,2 |
| KPR 5,0 | 5,0 | 275 | 15 | 320 | 121 | 20 | 302 | 37 | 23 | 60 | 260 | 17 |
Zdjęcia produktu:





