Zastosowanie:
Mają szerokie zastosowanie zwłaszcza w budownictwie, górnictwie i wszędzie tam, gdzie istnieje zapotrzebowanie na manipulowanie ciężarami
- do podnoszenia i holowania ciężarów
- do napinania ogrodzeń, prac ratowniczych, wyrywania stojaków obudowy
- jako urządzenie podtrzymujące dla kopalnianych torowisk podwieszanych
- przy pracach montażowych i manewrowych każdego rodzaju
- odpowiedni do użytkowania w trudnych warunkach – kopalnie, huty, itp.
- możliwość użycia w środowisku zagrożonym wybuchem (oznaczenie NEXP)
Właściwości:
- prosta, solidna konstrukcja, przenośny
- przystosowany do trudnych warunków (błoto, pył)
- odporny na trudne warunki pracy (błoto, pył)
- wyposażony w bezpiecznik przeciwprzeciążeniowy
- łatwa obsługa
- minimalne wymagania konserwacyjne
Podnośnik produkuje się z podstawową wysokością podnoszenia 1,5m. Możliwość wyboru wysokości podnoszenia od 1,5m do 6m.
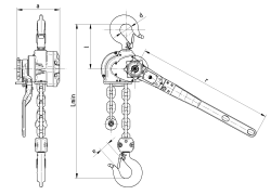
| Typ | Nośność (t) | Ilość łańcuchów nośnych | Łańcuchdo ciężaru | Siła sterowania (N) | Prędkość * podnoszenia (m/min) | Wymiary główne (mm) | Ciężar (kg) | Przyrost ciężaru na 1m wysokości podnoszenia (kg) | |||||
|---|---|---|---|---|---|---|---|---|---|---|---|---|---|
| a | d | e min | l | L min | r | ||||||||
| RZC | 0,8 | 1 | Ø 5 x 15 | 400 | 1,27 | 145 | 36 | 23,5 | 145 | 327 | 560 | 8,4 | 0,55 |
| 1,6 | 1 | Ø 9 x 27 | 370 | 0,52 | 165 | 43 | 29,5 | 160 | 380 | 560 | 16 | 1,84 | |
| 3,2 | 1 | Ø 11 x 31 | 400 | 0,37 | 173 | 50 | 35,5 | 223 | 417 | 560 | 21 | 2,73 | |
| 5 | 2 | Ø 11 x 31 | 300 | 0,18 | 173 | 56 | 42 | 242 | 630 | 560 | 34 | 5,46 | |
| 6,3 | 2 | Ø 11 x 31 | 400 | 0,18 | 173 | 63 | 48 | 265 | 650 | 560 | 40 | 5,46 | |
| * obliczono przy założeniu 48 ruchów dźwignią ręczną na minutę. (1 cykl = ruch dźwignią ręczną z jednego skrajnego położenia do drugiego skrajnego położenia i z powrotem) | |||||||||||||






